TRITON Vertikální lišta 32U, cena za 1ks
Popis a parametry
TRITON Vertikální lišta 32U, cena za 1ks
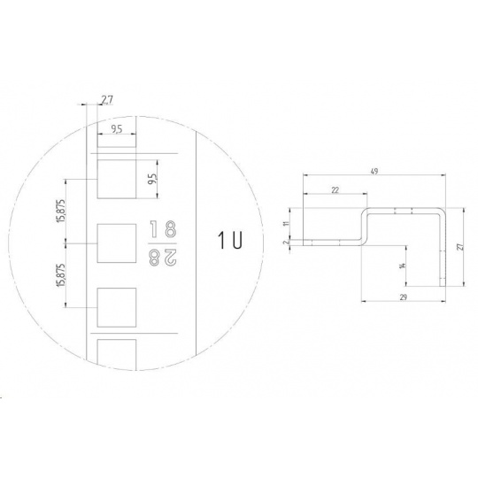
Vertikální lišta 32U.
Značení unitů je provedeno laserovým popisovačem.
.
ParametryPorovnání
Typ příslušenství
Podstavce, lišty
TRITON Vertikální lišta 32U, cena za 1ks
Naposledy navštívené


